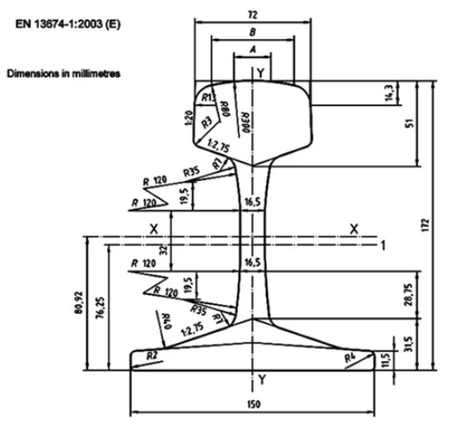
DerUIC60-Schiene, wir nennen es auch 60E1, ist ein weit verbreitetes Eisenbahnschienenprofil, das von der Europäischen Internationalen Eisenbahnunion (UIC) entwickelt wurde. Es handelt sich um eine Schwerlastschiene mit einem Gewicht von 60,21 kg pro Meter und einem H-förmigen Querschnitt mit einer Höhe von 172 mm und einer Basisbreite von 150 mm.

| Größe | Dimension | Gewicht (kg/m) | Material | Länge (m) | |||
| Kopf (mm) | Höhe (mm) | Base | Web | ||||
| UIC60 | 72 | 172 | 150 | 16.5 | 60.21 | 900A/1100 | 12-25 |
Welche Stahlsorte ist das beste UIC60-Schienenmaterial?
60E1-Schienen (oder UIC 60-Schienen) sind hochwertige Schienen aus Kohlenstoff- und Manganstahl, die gemäß der europäischen Norm EN 13674-1 hergestellt werden. Zu den gängigen Stahlsorten für diese Schiene gehören:R260 (Standardhärte),R320Cr, UndR350HT(wärme-behandelt). Diese Materialien bieten eine hohe Festigkeit, Haltbarkeit und Verschleißfestigkeit, oft mit einem Härtebereich von 260–390 HB.
Die Standardwahl: Stahlsorte R260
Für die überwiegende Mehrheit der Fernbahnprojekte gilt R260 als Industriestandard und oft als das „beste“ Verhältnis zwischen Leistung und Kosten. Bei dieser Sorte handelt es sich um einen perlitischen Stahl mit einem Härtebereich von 260 bis 300 HBW (Brinell-Härte). Es bietet eine hervorragende Schweißbarkeit und eine ausreichende Verschleißfestigkeit für gerade Gleisabschnitte.

| R260 | Mechanisches Eigentum | Chemische Zusammensetzung | |||||||||||
| Streckgrenze | Zugfestigkeit | Verlängerung | Härte | C | Si | Mn | S | P | H ppm | O ppm | |||
| MPa | kg/mm² | MPa | kg/mm² | min | HB | Kleiner oder gleich | Kleiner oder gleich | Kleiner oder gleich | Kleiner oder gleich | ||||
| Größer oder gleich 880 | 10% | 260-300 | 0.62-0.80 | 0.15-0.58 | 0.70-1.20 | 0.025 | 0.025 | 2.5 | 20 | ||||
Da es sich um unsere am häufigsten produzierte Sorte handelt, gewährleistet unsere Anlage eine hohe -Volumeneffizienz für R260, was es zur wirtschaftlichsten Wahl für nationale Schienennetze und Standardgüterverkehrsstrecken macht, bei denen extremer Kurvenverschleiß kein Hauptproblem darstellt.
Die Premium-Wahl: R350HT wärmebehandelte-Schiene
Wenn Kunden nach dem „besten“ Material in Bezug auf Langlebigkeit und Haltbarkeit fragen, lautet die Antwort R350HT. Diese Sorte wird in unserem Werk einem speziellen „Head Hardening“ (HT)-Prozess unterzogen. Durch die präzise Steuerung der Abkühlgeschwindigkeit des Schienenkopfes nach dem Walzen erreichen wir ein feines perlitisches Gefüge mit einer Härte von 350 bis 390 HBW.

| R350HT | Mechanisches Eigentum | Chemische Zusammensetzung | |||||||||||
| Streckgrenze | Zugfestigkeit | Verlängerung | Härte | C | Si | Mn | S | P | H ppm | O ppm | |||
| MPa | kg/mm² | MPa | kg/mm² | min | HB | Kleiner oder gleich | Kleiner oder gleich | Kleiner oder gleich | Kleiner oder gleich | ||||
| Größer oder gleich 1175 | 9% | 350-390 | 0.72-0.80 | 0.15-0.58 | 0.70-1.20 | 0.025 | 0.020 | 2.5 | 20 | ||||
Dieses Material wurde speziell für Umgebungen mit hoher -Beanspruchung entwickelt. Es ist die beste Wahl für scharfe Kurven, schwere-Bergbaugleise und Hochfrequenz--Stadtverkehrssysteme. Während die Anschaffungskosten pro Tonne höher sind, reduziert R350HT die „Total Cost of Ownership“ deutlich. Es widersteht Rollkontaktermüdung und Seitenverschleiß viel besser als Standardsorten, was bedeutet, dass die Ketten weniger häufig gewartet und ausgetauscht werden müssen.
Wie wählt man das richtige Rail 60e1-Material aus?
Die Wahl des richtigen 60E1 (UIC60)-Schienenmaterials erfordert die Anpassung der Stahlsorte und Härte an die Betriebslast, Geschwindigkeit und Umgebung unter Einhaltung der EN 13674-1-Normen. Verwenden Sie R260 für den allgemeinen Hauptstrecken-/Personenverkehr und R350HT/R350LHT (kopf-gehärtet) für schwere-Beförderungen, enge Kurven oder stark beanspruchte Bereiche, wobei normalerweise ein Zugfestigkeitsbereich von 680 bis 1175 MPa gewährleistet ist.
Wichtige Überlegungen zur Auswahl des 60E1-Schienenmaterials:
Last und Geschwindigkeit (Sortenauswahl):
- R260: Standard-Kohlenstoffstahl (ca.. 260–300 HB) für hohe-Geschwindigkeiten und den allgemeinen Hauptstreckeneinsatz, bietet gute Zähigkeit und Verschleißfestigkeit.

- R350HT / R350LHT: Head-hardened (heat-treated) steel (>350 HB) ist für Schwertransporte, Linien mit hoher-Tonnage und enge Kurven konzipiert und bietet eine hervorragende Ermüdungslebensdauer.
Umweltfaktoren (Haltbarkeit):
- Wählen Sie für Küsten- oder Industrieregionen Schienen mit geringerem Schwefel- und Phosphorgehalt (<0.05% S, <0.03% P) to prevent brittleness.
- Kupferhaltige Legierungen (0,2–0,4 % Cu) werden empfohlen, um in korrosiven Umgebungen eine schützende Patina zu erzeugen.
GNEE-SCHIENEist Ihr Komplettanbieter für UIC60 Rail und liefert ein Komplettpaket aus Qualität, Kompatibilität und Service, das sich auf dem Weltmarkt von anderen abhebt. Wir kombinieren die strikte Einhaltung internationaler Standards, fortschrittliche Fertigung und umfassenden Support, um alle Anforderungen Ihres Eisenbahnprojekts zu erfüllen. Von der Materialauswahl bis zur endgültigen Lieferung kontrollieren wir jeden Schritt, um eine gleichbleibende Leistung und Sicherheit zu gewährleisten.Kontaktieren Sie uns jetztErfahren Sie, wie unsere Komplettlösung Ihren Bahnerfolg vorantreiben kann.

