Produkteinführung
GB Heavy Rails sind die zentralen tragenden Komponenten von Eisenbahnschienen. Sie werden streng gemäß den GB -Standards produziert. Die Hauptmaterialien sind niedrige Alloy-Stähle wie U71Mn und U75V. U71MN -Stahl, wobei die feste Lösung der Stärkung der Manganelemente die Festigkeit verbessert und gleichzeitig die Zähigkeit sicherstellt und für Eisenbahnlinien mit mittleren Lasten geeignet ist. U75V-Stahl bildet feine Ausfälle wie Vanadium-Carbid und Vanadiumnitrid aufgrund von Vanadiumelementen, die die Versetzungsbewegung effektiv behindern und die Ermüdungslebensdauer der Schienen um mehr als 20%erhöhen, was sie für hochfrequentierende und schwerladungsbezogene Zugbetriebsbetrieb besser geeignet macht.

GB 38 kg schwere Stahlschiene besteht normalerweise aus U71Mn mit einem Kohlenstoffgehalt von etwa 0. 71% und einem Mangangehalt von 1. 0 - 1. 4%. Es hat sowohl Kraft als auch Zähigkeit, eine Zugfestigkeit von größer als oder gleich 880 mPa, eine Härte von 280 - 320 Hb, guter Verschleißfestigkeit und kann mittelgroße Lasten standhalten;
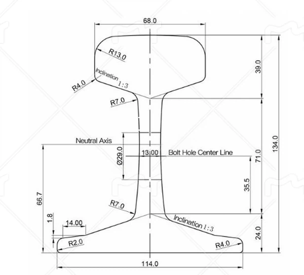
GNEE Rail implementiert streng nationale Standards bei der Herstellung von 38 kg Stahlschiene, und die dimensionale Genauigkeit und Qualität ist streng garantiert. Die Schienenhöhe von 134 mm und die untere Breite von 114 mm sind vernünftigerweise konzipiert, was für Lichtbahnen oder Zweiglinien wie Minen, Waldflächen und Fabriken geeignet ist und den Gebrauchsbedarf von Frachtlinien, Fabrik -Eisenbahnen und anderen Szenen entsprechen kann.
Darüber hinaus hat die 38 kg schwere Schiene eine einfache Struktur und eine gute Schweißbarkeit. Es kann durch Flash -Schweißen und andere Methoden verbunden werden, was für die Installation und Wartung geeignet ist. Gleichzeitig verbessert das Manganelement die Zähigkeit des Materials und verringert das Risiko einer spröden Fraktur. Es ist stabil und unter mittlerer Frequenzverkehrsbedingungen zuverlässig und eine wirtschaftliche und praktische Wahl für leichte Schienen.
Produktspezifikationen

Produktanwendung

Gnee Rail ist ein umfassender Dienstleister, der sich auf den globalen Handel mit GB Standard Heavy Rail -Produkten spezialisiert hat und um eine umfassende Erfahrung im internationalen Handel verfügt. Wir haben ein Marketing -Netzwerk eingerichtet, das wichtige Märkte auf der ganzen Welt abdeckt und strategische Partnerschaften mit vielen großen Stahlmühlen aufrechterhalten, um eine stabile Versorgung und eine zuverlässige Qualität zu gewährleisten. Wir sind mit einem mehrsprachigen Geschäftsteam und technischen Beratern ausgestattet, die den Kunden professionelle Produktauswahlvorschläge und technische Unterstützung zur Verfügung stellen können.




Beliebte label: GB 38 kg schwere Stahlschiene, China GB 38 kg schwere Stahlschienenhersteller, Lieferanten, Fabrik






